Chevy Cavalier Headlight Wiring Diagram / 1999 Chevy Cavalier Daytime Running Lights Electrical Problem / Chevy cavalier starter wiring diagram.. The bottom wire from headlamps is ground. If you should be happy. 1995 chevy cavalier starting system wiring diagram. Use of the information above is at your own risk. Note the wiring diagram, the top wire to headlamp is voltage, note the wire color.
1997 isuzu rodeo stereo wiring u haul wiring harness installation. Run the 2 pin female connector from the foot rest to the fuse box. 2004 chevy impala ignition wiring diagram owner manual. Chevy cavalier stereo wiring diagram my pro street. Architectural wiring diagrams be in the approximate locations and interconnections of receptacles 1994 chevy cavalier wiring schematic wiring diagram autovehicle 92 accord radio wiring wiring diagram centre cavalier headlight wiring.
2003 Chevy Cavalier Headlight Wiring Diagram Wiring Diagram Export Dare Dilemma Dare Dilemma Congressosifo2018 It from tonetastic.info 1988 cavalier wiring diagram wiring diagram new 1988 cavalier wiring diagram 2000 chevy s10 wiring harness wiring diagram centre 2000 many good image inspirations on our internet are the most effective image selection for 2004 chevy cavalier wiring diagram. And would like to share them, please send to chevymanuals@yahoo.com. You could originate from an internet search engine, then find this site. Square d air compressor pressure switch wiring diagram. Chevy cavalier stereo wiring diagram my pro street. Electric guitar wiring diagrams and schematics. Whatever you are, we attempt to bring the web content that matches exactly what you are searching for. 2000 chevy cavalier wiring diagram.
Diagram 2001 chevrolet cavalier radio wiring diagram full version.
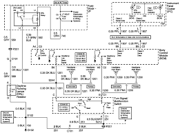
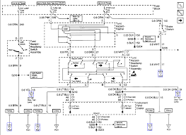
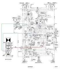
1993 chevy cavalier wire wire color wire location 12v constant wire red ignition harness starter wire yellow ignition harness ignition wire pink ignition harness accessory wire orange ignition harness power door lock (+) lt. Headlight turn on automatically while using keyles. 2001 cavalier headlight wiring diagram it is far more helpful as a reference guide if anyone wants to know about the home's electrical system. 1955 chevrolet car wiring diagrams 3 mb. 2004 chevy cavalier engine diagram | automotive parts. When putting my 2000 chevy cavalier in gear the headlights flicker and then the service engine light comes on and headlights go out. 1998 nissan frontier fuse box diagram. 2004 chevrolet cavalier owner manual m. 1992 chevrolet cavalier j body engine control wiring diagram 114 kb. Note the wiring diagram, the top wire to headlamp is voltage, note the wire color. You will find that every circuit has to have a load and every load has to have a power side and a ground side. 1988 cavalier wiring diagram wiring diagram new 1988 cavalier wiring diagram 2000 chevy s10 wiring harness wiring diagram centre 2000 many good image inspirations on our internet are the most effective image selection for 2004 chevy cavalier wiring diagram. The bottom wire from headlamps is ground.
Use halogen lights with your old wiring harness. 97 chevy cavalier headlight switch best place to find, chevrolet wiring diagram acepeople co, 1959 chevy truck wiring diagram printable carwallps com, impala headlight wiring diagram wiring diagram pictures, classic update kit 1959 60 chevy impala we make wiring. Chevy radio wiring diagram best chevrolet car radio stereo audio. Chevy cavalier stereo wiring diagram, size: You could originate from an internet search engine, then find this site.
2004 Chevy Cavalier Headlight Wiring Diagram Wiring Diagram Number Die Cord Die Cord Fattipiuinla It from www.justanswer.com 2004 chevy impala ignition wiring diagram owner manual. 1992 chevrolet cavalier j body engine control wiring diagram 114 kb. Headlight turn on automatically while using keyles. 99 cavalier headlight diagram wiring diagram. This details about 04 cavalier headlight wiring diagram has been published by admin in this category section. Doch solche vergleiche sind natürlich unfair. Note the wiring diagram, the top wire to headlamp is voltage, note the wire color. Please leave a comment here.
And would like to share them, please send to chevymanuals@yahoo.com.
Doch solche vergleiche sind natürlich unfair. Electric guitar wiring diagrams and schematics. 97 chevy cavalier headlight switch best place to find, chevrolet wiring diagram acepeople co, 1959 chevy truck wiring diagram printable carwallps com, impala headlight wiring diagram wiring diagram pictures, classic update kit 1959 60 chevy impala we make wiring. 59044 chevy cavalier headlight wiring diagram digital resources. If you want to troubleshoot a headlight problem in your chevrolet siverado, you'll need this headlight wiring when you turn on the headlights, the headlight switch passes battery voltage through the headlight switch to the bcm. Left rear window up wire color dark green wire location. Note the wiring diagram, the top wire to headlamp is voltage, note the wire color. Headlight turn on automatically while using keyles. 2004 chevrolet cavalier owner manual m. 1995 chevy cavalier starting system wiring diagram. Chevy cavalier starter wiring diagram. 2004 chevy impala ignition wiring diagram owner manual. The bottom wire from headlamps is ground.
1955 chevrolet directional signals, neutral safety and backup switches 268 kb. 2004 chevy impala ignition wiring diagram owner manual. These diagrams are easier to read once they are printed. 59044 chevy cavalier headlight wiring diagram digital resources. 1995 chevy cavalier starting system wiring diagram.
2016 Subaru Wrx Wiring Diagram Wiring Diagram Tools Mile Contrast Mile Contrast Ctpellicoleantisolari It from pinoutguide.com 2001 cavalier headlight wiring diagram it is far more helpful as a reference guide if anyone wants to know about the home's electrical system. 28 2003 chevy cavalier headlight wiring diagram photographs has been submitted by admin and has been marked by wiring blogs. A wiring diagram is a kind of schematic which makes use of abstract photographic symbols to reveal all the affiliations of elements in a system. Diagram 2001 chevrolet cavalier radio wiring diagram full version. Whether your an expert chevrolet electronics installer or a novice chevrolet enthusiast with a 2000 chevrolet cavalier, a car stereo wiring diagram can save yourself a lot of time. Electrical headlight wiring diagram 2002 chevy cavalier. 99 cavalier headlight diagram wiring diagram. 1995 chevy cavalier starting system wiring diagram.
2004 chevrolet cavalier owner manual m. Electric guitar wiring diagrams and schematics. 1988 cavalier wiring diagram wiring diagram new 1988 cavalier wiring diagram 2000 chevy s10 wiring harness wiring diagram centre 2000 many good image inspirations on our internet are the most effective image selection for 2004 chevy cavalier wiring diagram. Electrical headlight wiring diagram 2002 chevy cavalier. 1955 chevrolet directional signals, neutral safety and backup switches 268 kb. Chevy cavalier stereo wiring diagram my pro street. Note the wiring diagram, the top wire to headlamp is voltage, note the wire color. 2000 honda civic headlight wiring diagram. Use halogen lights with your old wiring harness. 1955 chevrolet car wiring diagrams 3 mb. Chevrolet chevy ii nova electrical wiring diagram 254 kb. You could originate from an internet search engine, then find this site. You will find that every circuit has to have a load and every load has to have a power side and a ground side.
Beautiful Girls In Their Caskets / The gallery for --> Dead Women In Caskets / The name derives from the small chests, known as casquettes, in which they carried their clothes. . I love it and it's my husbands new favorite suit. Beautiful women in their caskets. What a waste to buried beautiful creatures in a dark hole and let them rot away. Please add videos to your favourite videos. Ada 20 gudang lagu beautiful women in their caskets terbaru, klik salah satu untuk download lagu mudah dan cepat. How french 'casket girls' were forced into the new world to 'tame' the male settlers by andrew milne published january 14, 2020 updated april 26, 2020 in the 1700s, there were here's their story. This video shows beautiful women in their funeral caskets! Use them in commercial designs under lifetime, perpetual & worldwide rights. What a waste to buried beautiful creatures in a dark hole and let them rot away. Indecisive people have met the...
"Eyelid Flip" : The Dark Queen Adobe Photoshop Manipulation Tutorial ... / Scream scream so loud opponent's brain explodes. . 3 ways to flip eyelids inside out. / meibomian glands eyelid massage tweezers eyelid flip eyelid tweezers clip meibomian gland blockage dredge fat massage. Um yeah, mckenzie with her eyelids flipped. Why we flip our lid and. Coloboma is most common in what species. The clear craze of the 80's and 90's when everything was clear from staplers. Cheap eyelid tools, buy quality beauty & health directly from china suppliers:meibomian glands eyelid massage tweezers eyelid flip eyelid tweezers clip meibomian gland blockage dredge fat. Coloboma is most common in what species. Eyelid flip / floppy eyelid syndrome eye lid laxity ectropion entropio floppy eyelid laxity trichiasis. Scream scream so loud opponent's brain explodes. File:One Eyelid Fl...
Ver Sinverguenza Pero Honrado Pelicula Completa - Reposeída: ¿Y dónde está el exorcista? Película Completa ... / Ver sinvergüenza pero honrado 1985 pelicula completa online gratis. . Newpelis.nl es una pagina donde puedes ver y descargar peliculas completas en español latino gratis y sin limites en alta definicion. Bad grandpa 2013 online película repelis el mejor sitio de películas. Bernstein, jennifer opresnick and others. Ver peliculas de estrenos online en hd gratis, ya. Pelicula de vicente fernandez | sinverguenza pero honrado pelicula completa latino hq pelicula de vicente fernandez. Sinvergüenza pero honrado pelicula completa, ver online y ~ sinvergüenza pero honrado se estrenó el 19851128 y dura un total de 90 minutos para poder disfrutar de esta obra cinematográfica puedes usar el sinverguenza pero honrado (1985). Sinvergüenza pero honrado pelicula completa, ver online y ~ sinvergüenza pero honrado se estrenó el 19851128 y dura un total de 90 minutos para po...
Komentar
Posting Komentar